
DATA 정보
한국전자전열은 최고의 품질로 보답 드리겠습니다.
열량을 정하는 일반적인 DATA
| 액체 | SPEC HEAT (KJ/KGK) |
융해점 (℃) |
용해열 (KJ/KG) HQ |
비등점 (℃) |
기화열 (KJ/KG) HR |
비중 (KG/DM3) |
|---|---|---|---|---|---|---|
| 아세톤 | 2.176 | -94.8 | 96.278 | 56.1 | 523.25 | 0.797 |
| 글리세린 | 2.411 | 18.6 | 196.74-397.67 | 290 | 826.316 | 1.26 |
| 연료유 | 1.465-1.80 | - | - | - | - | 0.82-1.08 |
| 경유 | 1.728 | -15 | - | 80-150 | 334.88-355.8 | 0.89 |
| 기계유 | 1.674 | - | - | - | - | 0.77-0.8 |
| 유계 | 3.934 | - | - | - | - | 1.028 |
| 엔진벤졸 | 1.603 | - | - | - | - | 0.873 |
| 올리브유 | 1.632 | - | - | - | - | 0.7-0.8 |
| 파라핀 | 2.134 | - | - | - | - | 0.79-0.85 |
| 수은 | 0.138 | -38.83 | 11.72 | 356.95 | 301.39 | 13.5 |
| 피마자유 | 2.113 | - | - | - | - | - |
| 20℃ OIL에서 열이동 | - | |||||
| SHELL THERMINA11 | 1.845 | - | - | - | - | 0.889 |
| SHELL THERMIN27 | 1.875 | - | - | - | - | 0.869 |
| SHELL THERMINA45 | 1.841 | - | - | - | - | 0.902 |
| SHELL Volutaoil45 | 1.862 | - | - | - | - | 0.905 |
| TAR | 1.289 | - | - | - | - | - |
| WATER | 4.186 | 60 | 334.88 | 100 | 2256.254 | 1.0 |
| 고체 | SPEC HEAT (KJ/KGK) |
융해점 (℃) |
용해열 (KJ/KG) HQ |
비등점 (℃) |
기화열 (KJ/KG) HR |
비중 (KG/DM3) |
|---|---|---|---|---|---|---|
| 알루미늄 | 0.877 | 658 | 355.81 | 2270 | 11720.80 | 2.7 |
| 납 | 0.129 | 327.3 | 23.86 | 1730 | 920.92 | 11.34 |
| 크롬 | 0.452 | 1800 | 293.02 | 2400 | 6153.42 | 7.1 |
| 크롬-니켈합금 | 0.477 | - | - | - | - | 8.2-8.5 |
| ICE | 2.427 | 0 | 334.88 | - | - | 0.95 |
| 철(순수) | 0.464 | 1530 | 272.09 | 2500 | 6362.72 | 7.86 |
| 유리솜 | 0.720 | - | - | - | - | 0.2 |
| 운모 | 0.837 | - | - | - | - | 2.6-3.2 |
| 흑연 | 0.795 | 3700 | - | 38.3 | - | 2.1-2.3 |
| GREY CASTIRON(회색주철) | 0.540 | 1200 | 96.278 | - | - | 7.25 |
| 구리, 동 | 0.389 | 1083 | 209.30 | 2330 | 4646.46 | 8.93 |
| 땜, 납 | 0.167 | 185-305 | - | - | - | 8.5-10.8 |
| 황동 | 0.380 | ~900 | - | - | - | 8.4-8.7 |
| 니켈 | 0.452 | 1452 | 293.020 | 3000 | 6195.28 | 8.9 |
| 파라핀왁스(석랍) | 3.265 | 45-60 | 146.51 | - | - | 0.78-0.91 |
| 수징 | 0.728 | 1720 | - | - | - | 2-2.2 |
| V2A STAINLESS STEEL | 0.485 | 1300-1400 | - | - | - | 7.9 |
| FIRE CLAY AL2O3 + SIO2 | 1.008 | - | - | - | - | 1.7-2.2 |
| 알루미나 | 0.837 | - | - | - | - | 2.9 |
| 주석 | 0.229 | 231.8 | 58.604 | 2300 | 2595.32 | 7.2 |
| 아연 | 0.393 | 419.4 | 112.184 | 907 | 1799.98 | 7.134 |
| GAS 물질 | SPEC HEAT (KJ/KGK) |
융해점 (℃) |
용해열 (KJ/KG) HQ |
비등점 (℃) |
기화열 (KJ/KG) HR |
비중 (KG/DM3) |
|---|---|---|---|---|---|---|
| 아세틸렌 | 1.640 | -81 | 96.278 | -83.6 | 828.828 | 1.170 |
| 암모니아 | 1.892 | 77.7 | 339.066 | -33.4 | 1368.822 | 0.7714 |
| STEAM | 1.494 | - | - | - | - | 0.804 |
| AIR | 1.000 | -21.3 | - | -192.4 | 196.742 | 1.2928 |
| OXYGEN(산소) | 0.912 | -218.83 | 13.813 | -182.4 | 213.486 | 1.429 |
| 아황산 가스 | 0.607 | - | - | -10 | 401.856 | 3.485 |
| 구분 | K | ℃ | ℉ |
|---|---|---|---|
| K | X | X-273 | 9/5 (X-273)+32 |
| ℃ | X+273 | X | 9/5 X+32 |
| ℉ | 5/8 (X-32)+273 | 5/9(X-32) | X |
OHM'S LAW

저항 R(Ohm)의 저항체에 전압 E(Volt)를 인가하면 전류 I(Ampere)가 흐르며 다음과 같은 식으로 표시한다.
I=전류(Ampere)(A), E=전압(Volt)(V),
R=전기저항(Ohm)(Ω)
전력
전기가 단위 시간당 하는 일을 말한다.
P=EI=I2R
JOULE열
저항 R(Ohm)의 저항체에 전류 I(Ampere)를 t(Sec)간 연속으로 흐를 때 저항체에 발생하는 열량을 말하며 아래식으로 표시한다.

열량의 단위
물 1g을 1℃ 온도 상승하는데 필요한 열량을 말하며 단위는 1Kcal로 표시한다. 일반적으로 Kcal 또는 KWH로도 표시한다.
1[Kcal]=4186 JOULE(J) [W.초],
860(Kcal)=1KWH
직열접속의 합성저항
직열로 저항을 접속하면 각 저항체에 흐르는 전류는 같으며 각 저항의 전압강하를 V1, V2, V3로 하고 흐르는 전류를 I(A)라 하면
V1=IR1, V2=IR2, V3=IR3, 합성저항 R=R1+R2+R3
AD간의 전압V(V)은 각 저항의 전압강하의 합과 같으므로
V=V1+V2+V3=IR1+IR2+IR3=I(R1+R2+R3)
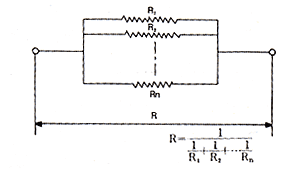
병열접속의 합성저항
저항 R1, R2, R3, ……Rn(Ω)을 병열로 접속하면 합성저항 R은 다음 식으로 표시한다.

삼상 교류회로
선간전압 E(V)의 평형 3상교류 회로에 DELTA(Δ) 또는 STAR(Y) 결선한 경우의 전압, 전류, 전력의 관계는 아래와 같다.

보온벽의 열손실 GRAPH



